
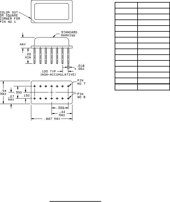
MIL-PRF-55310/16J
Pin number
Function
1
NC
2
NC
3
NC
4
NC
5
NC
6
NC
.265
7
B - (GND/CASE)
8
OUTPUT
9
NC
10
NC
11
NC
12
NC
13
NC
14
B+
Inches
mm
Inches
mm
.002
0.05
.27
6.9
.018
0.46
.300
7.62
.100
2.54
.44
11.2
.150
3.81
.54
13.7
.265
6.73
.887
22.53
Configuration B (high package height (see table I))
NOTES:
1. Dimensions are in inches.
2. Metric equivalents are given for general information only.
3. Unless otherwise specified, tolerances are ±.005 (0.13 mm) for three place decimals and ±.02 (0.5 mm) for two
place decimals.
4. All pins with NC function may be connected internally and are not to be used as external tie points or
connections.
FIGURE 1. Dimensions and configuration - Continued.
2
For Parts Inquires call Parts Hangar, Inc (727) 493-0744
© Copyright 2015 Integrated Publishing, Inc.
A Service Disabled Veteran Owned Small Business