
INCH-POUND
MIL-PRF-55310/21G
14 November 2008
SUPERSEDING
MIL-PRF-55310/21F
09 June 2008
PERFORMANCE SPECIFICATION SHEET
OSCILLATOR, CRYSTAL CONTROLLED, TYPE 1 (CRYSTAL OSCILLATOR (XO)),
1.0 MHz THROUGH 60.0 MHz, HERMETIC SEAL, SQUARE WAVE, TTL
This specification is approved for use by all Departments
and Agencies of the Department of Defense.
The requirements for acquiring the product described herein
shall consist of this specification sheet and MIL-PRF-55310.
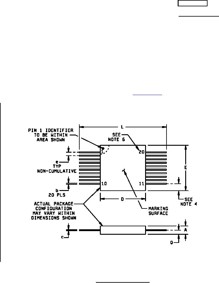
FIGURE 1. Dimensions and configuration.
AMSC N/A
FSC 5955
For Parts Inquires call Parts Hangar, Inc (727) 493-0744
© Copyright 2015 Integrated Publishing, Inc.
A Service Disabled Veteran Owned Small Business